



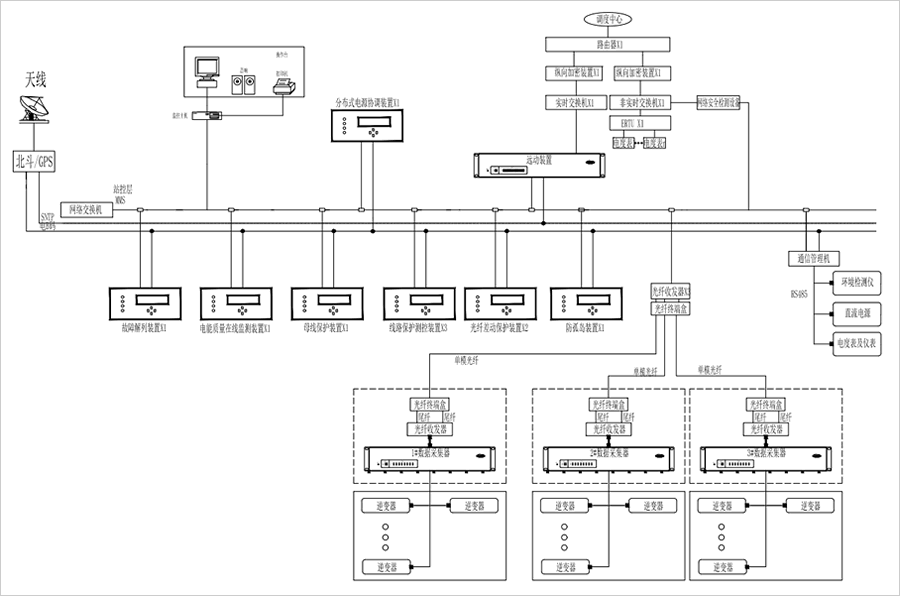
光伏電站監控系統概述光伏電站監控就是將光伏電站的逆變器、匯流箱、輻照儀、氣象儀、電表、微機保護裝置等設備通過數據線連接起來,用光伏電站數據采集器、通訊管理機、數據網關等設備進行數據采集,并通過GPRS、光纖等方式上傳到用戶服務器或本地電腦,使用戶可以在互聯網或本地電腦上查看相關數據,方便電站管理人員和用戶對光伏電站的運行數據查看和管理。可對太陽能光伏電站里的電池陣列、匯流箱、逆變器、交直流配電柜、等設備進行實時監控和控制,通過各種樣式的圖表及數據快速掌握電站的運行情況,其友好的用戶界面、強大的分析功能、完善的故障報警確保了太陽能光伏發電系統的完全可靠和穩定運行。
光伏電站監控系統主要功能 1、逆變器狀態、斷路器狀態采集與顯示;
2、實時監控逆變器工作狀態,監控其故障信息;
3、系統詳細運行參數顯示;
4、故障記錄及報警;
5、具有電量累計、系統分析、歷史記錄功能;
6、簡單易用的參數設置功能。
光伏電站監控系統主要特點光伏電站監控系統將成為人們管理光伏電站的必備工具。可以讓人們進行集群監測和管理,無需到現場逐臺設備查看狀況,更有利于進行數據匯總、生成曲線、數據分析,網絡監控更加便于人們進行遠程管理,大量節約人力成本。光伏電站一般建設在屋頂或者偏僻的地區,現場查看不是很方便,而且發電的數量直接和經濟效益掛鉤,因此光伏監控有利于人們及時發現并解決問題。特別是網絡遠程監控,可以通過手機、郵件等方式通知管理者,第一時間發現問題,并通過遠程查看數據來判斷問題的原因。